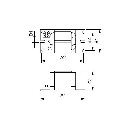
Philips BSN 400 K407-ITS 230/240V 50Hz BC3-166
€195.84
€161.85
excl. Tax
incl. Tax
Expected shipping before 9 April
Want to order larger quantities?
- Free shipping above €121 incl. TaxFree shipping above €100 excl. Tax
- Business customer? Purchase on account
- Easy returns within 14 days
Specifications
Clear
General
|
i
The recommended quantity refers to the number of products pre-packaged by the manufacturer. When you buy this quantity, we deliver the products in the original package from the manufacturer.
|
Full box quantity | 2 |
|---|
General Information
| SKU | 180341 | |
|---|---|---|
| EAN | 8711500881571 | |
| Brand | Philips | |
| Manufacturer Name | BSN 400 K407-A2-ITS 230/240V 50Hz BC3 | |
|
i
Our all-in warranty is fully included in the product price and covers both hidden defects and technical defects of the product that occurred before delivery. The warranty period differs per product and ranges from 1 year to a maximum of 7 years.
|
Any Lamp all-in warranty | 1 Year |
Technical Information
|
i
The technology indicates the operating base of a light source. The most well-known and energy-efficient example is LED. Other techniques include Halogen, gas discharge, TL (fluorescent) and the light bulb.
|
Technology | Accessory |
|---|---|---|
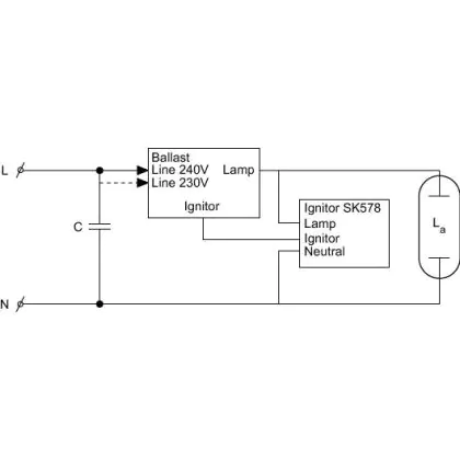
| Suitable for bulb type | CDM, CDO, HPI, MH, SON | |
| Ballast for bulb type | CDM, CDO, HPI, MH, SON | |
| Maximum Wattage Rating | 400 | |
|
i
Dimmable bulbs work in combination with a dimmer switch and allow you to determine the desired light output. Dimming also provides energy saving potential because less power is required when the lamp is producing less light.
|
Dimmable | Not Dimmable |
| Amount of bulbs required | 1 | |
|
i
Lighting with a sensor only turns on when it receives a specific signal. This reduces energy costs. The (built-in) sensors respond to darkness (twilight switch) and/or movement (motion sensor).
|
Type of sensor | No Sensor |
| Product Type Category | Accessory - HID Ballast |
Gear Information
| EOC8 | 88704400 | |
|---|---|---|
| Series | BSN 400 |